Публикации
|
Техническое переоснащение предприятий ракетно-космической отрасли В настоящее время в космической отрасли реализуется масштабная программа модернизации и оптимизации производственных мощностей. Финансирование этих… |
|
ТЕХНОЛОГИИ МАШИНОСТРОЕНИЯ В НОВОЙ МОДЕЛИ РАЗВИТИЯ В 1922 году российский экономист Николай Дмитриевич Кондратьев обратил внимание на то, что экономическое развитие в рыночной системе характеризуется… |
|
Российский уникальный станок «СтанкоМашСтрой» представляет собой крупное предприятие, специализирующееся на производстве металлообрабатывающих станков в Поволжском регионе. В… |
| ESAB CUTMASTER 60i — новый лидер в плазменной резке Cutmaster® 60i: высокотехнологичный аппарат для резки металла Cutmaster® 60i представляет собой современное оборудование для резки металлических… |
|
|
Лазерная сварка высокопрочных алюминиевых сплавов Введение В последние годы были разработаны новые высокопрочные алюминиевые сплавы, обладающие улучшенными механическими свойствами по сравнению с… |
| Новинки гидравлики 2017 года Аксиально-поршневые насосы с электроуправлением модели PVPC-PERS производства компании Atos находят широкое применение в оборудовании для… |
|
| Пружинные сплавы на медной основе ВВЕДЕНИЕ Пружинные сплавы представляют собой специализированные металлические материалы, обладающие высокой прочностью. Их механические свойства… |
|
| Токарно-фрезерная обработка в SprutCAM: внимание к деталям На страже безопасности государства Российская Федерация обладает одной из самых мощных и уважаемых в мире армий. Вооруженные силы страны постоянно… |
|
| Заготовки из листового металла: от идеи к детали В современном мире уровень технологического прогресса определяется количеством и качеством артефактов, созданных человеком. Основой цифрового мира… |
|
|
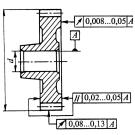
ПЕРЕДОВЫЕ ТЕХНОЛОГИИ ПРОИЗВОДСТВА ЗУБЧАТЫХ ПЕРЕДАЧ Зубчатые передачи представляют собой критически важные компоненты, обеспечивающие функционирование механических систем. Их конструкция должна… |
|
Тенденции развития технологий и оборудования для производства металлоконструкций Влияние инновационных технологий и оборудования на повышение эффективности и снижение себестоимости производства строительных металлоконструкций… |
| Аддитивное производство в Жуковском 15 февраля 2019 года в городе Жуковский состоялась встреча, на которой обсуждались перспективы создания нового совместного предприятия "ФИТНИК" между… |
|
|
BLUM-NOVOTEST ОТКРЫВАЕТ ДОЧЕРНЮЮ ФИЛИАЛ В РОССИИ Компания Blum-Novotest GmbH, специализирующаяся на разработке и производстве высокоточных измерительных систем, осуществляет свою деятельность на… |
|
Оборудование для предприятий будущего Деятельность DMG MORI в России Компания DMG MORI представит свои новейшие разработки в области автоматизации и цифровизации производственных… |
| О станкостроени Отчет о деятельности Российской ассоциации производителей станков и инструментов «Станкоинструмент» 6 марта 2018 года состоялось ежегодное собрание… |
|
|
ТРИ инновации в обработке валов генераторов и турбин Компания «Вайнгартнер Машиненбау», специализирующаяся на производстве оборудования для обработки деталей, разрабатывает и внедряет инновационные… |
| Лазерная резка: что вы знали, но забыли (часть 2 Основные процессы лазерной резки и их влияние на качество конечного результата В процессе лазерной резки металла можно выделить несколько ключевых… |
|
|
Лазерное упрочнение ножей из мартенситных сталей Целью настоящего исследования являлось создание технологии лазерного упрочнения медицинских ножей и оценка их эксплуатационной долговечности. Для… |
|
Инструменты для обработки труднообрабатываемых материалов Обработка резанием твердых материалов Обработка твердофазных материалов с высокой степенью твердости, таких как нержавеющая сталь или жаропрочные… |
|
ИСПОЛЬЗОВАНИЕ СПЕЦИАЛЬНЫХ ЗАГОТОВОК В ЛИСТОВОЙ ШТАМПОВК В современных технологиях листовой штамповки наблюдается тенденция к интенсификации производственных процессов. Данная тенденция обусловлена… |
|
Лазерная резка: основные моменты, которые вы могли забыть (1 часть Лазерная резка: принципы работы и критерии достижения высокого качества результата Лазерная резка представляет собой современный метод обработки… |
| ИНДИВИДУАЛЬНЫЙ ПОДХОД ОБУЧЕНИЯ — ПРОФЕССИОНАЛЬНАЯ РАБОТА НА ОБОРУДОВАНИИ Георгий Георгиевич Бодруг, специалист в области инженерного дела, осуществляет свою профессиональную деятельность в Институте автоматики. В 2017 году… |
|
| Системы для сварки труб 21 ноября компания IPG ИРЭ-Полюс провела в Москве научно-практическую конференцию, посвященную технологии лазерной сварки нержавеющих труб. В… |
|
|
СОВРЕМЕННОЕ СОСТОЯНИЕ И ПЕРСПЕКТИВЫ РАЗВИТИЯ ГАЗОСВАРОЧНОЙ АППАРАТУРЫ Анализ текущего состояния и перспектив развития газосварочной отрасли в России После распада СССР и перехода к рыночной экономике произошли… |
|
Современные шлифовальные станки: Новые методы абразивной обработки Значение и технологические аспекты шлифовальных станков Производительность труда оказывает значительное влияние на экономическое развитие. Станки,… |

